產品詳情
YZUL立式振動電機概述:
YZUL振動電機是我公司新型立式振動電機產品,采用先進的單法蘭結構,設計精巧,運行安全可靠,單法蘭結構使得立式振動電機安裝維護方便,同時可大大減輕主機重量,減小主機外形尺寸、簡化主機結構、降低主機成本,使得主機對物料的處理量更大;振動電機激振力能在一定范圍內非常容易地進行有級調節,滿足各種作業需求;使用新型密封技術及進口密封件,大大提高了立式振動電機的防塵防潮能力安全穩定運行;各項先進的設計及精密的制造過程,確保振動電機產品具有特長使用壽命。
YZUL立式振動電機是動力源與振動源結合為一體的激振源,立式振動電機是在轉子軸兩端各安裝一組可調偏心塊,利用軸及偏心塊高速旋轉產生的離心力得到激振力。振動電機的激振力利用率高、能耗小、噪音低、壽命長。
YZUL立式振動電機的激振力可以無級調節,使用方便,
YZUL振動電機除了可以應用與一般振動機械外,還可以組合多種振動形式。如:平旋型,渦旋型,搖動振動型,組合直線型,組合長橢圓型,復合雙頻型,復合雙幅型等。由這些振動形式可以產生出一些過去所沒有新型振動機械。
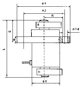
YZUL型振動電機安裝尺寸圖表:


YZUL型振動電機外形安裝尺寸圖表:

在線訂購